GR-M L35 4P三相无刷交流同步船用发电机

特性:
●永磁发电机PMG单独提供励磁使励磁与电源输出隔离
●自动电压调节控制器MX341B,带三相感应检测提供土1%的电压调整率
●2/3的绕组节距抑制过多的中线电流
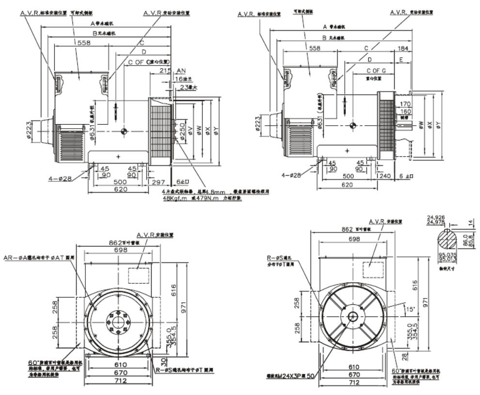
●单支点或双支点结构易于安装和维护.
采用标准的免维护密封轴承
●标准防护IP23防护等级
选型或附件: .
●绕组温度和轴承温度检测RTD
●绕组温升保护热敏电阻PT100
●MX321带三相检测提供0.5%的电压调整率
防冷凝加热器
空气过滤器
并联运行下垂互感器
抗无线电干扰抑制器
●二节管失效检测模块
●失励保护模块
●手动电压调节电位器
yabocom(中国)官方网站
电话
短信
联系